• 专业的仪器设备供应商
咨询热线 全国销售电话:18612337338
向前浏览
向后浏览

单效蒸发器 低温蒸发器​​



本套装置采用单效蒸发浓缩系统。蒸发器选用加热时间短,传热效率高的降膜蒸发器。
型       号   AODG-304​
颜       色  
尺       寸  

商品详情


单效蒸发器 低温蒸发器

型号:AODG-304

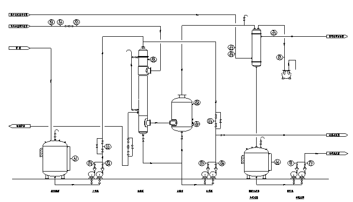
一、装置选型及流程简述:

本套装置采用单效蒸发浓缩系统。蒸发器选用加热时间短,传热效率高的降膜蒸发器。

物料经过上料泵进入加热室进行蒸发浓缩。浓缩后的物料去下一工序。

加热室采用低温蒸汽,分离室出来的二次汽进入间接冷凝器进行冷凝,冷凝下来的水进入冷凝水罐,然后经冷凝水泵送至下一工序对冷凝水进行回收处理。

二、蒸发计算

物料:32%氢氧化钠,出料浓度50%。

进料流量(kg/h)

3000

原料温度()

25

进料浓度(%)

15

出料浓度(%)

80

饱和蒸汽压力

0.1

冷却水上水温度()

32

冷却水回水温度()

38

蒸发量(kg/h)

2550

 

 

1

加热蒸汽压力

0.1

加热蒸汽温度℃

100

原料温度℃

25

二次蒸汽压强Mpa()

单效蒸发器 低温蒸发器

型号:AODG-304

一、装置选型及流程简述:

本套装置采用单效蒸发浓缩系统。蒸发器选用加热时间短,传热效率高的降膜蒸发器。

物料经过上料泵进入加热室进行蒸发浓缩。浓缩后的物料去下一工序。

加热室采用低温蒸汽,分离室出来的二次汽进入间接冷凝器进行冷凝,冷凝下来的水进入冷凝水罐,然后经冷凝水泵送至下一工序对冷凝水进行回收处理。

二、蒸发计算

物料:32%氢氧化钠,出料浓度50%。

进料流量(kg/h)

3000

原料温度()

25

进料浓度(%)

15

出料浓度(%)

80

饱和蒸汽压力

0.1

冷却水上水温度()

32

冷却水回水温度()

38

蒸发量(kg/h)

2550

 

 

1

加热蒸汽压力

0.1

加热蒸汽温度℃

100

原料温度℃

25

二次蒸汽压强Mpa(绝)

0.01

二次蒸汽温度℃

45.8

二次蒸汽汽化潜热kJ /㎏

2308.1

液相密度㎏/m3

1520

液相温度℃

50

 

三、设备一览表

序号

货物名称

规格、型号

数量

材质

1

加热室

面积60m2

1

304/壳碳钢

2

分离室

Φ1600×3000mm

1

304

3

间接冷凝器

面积480m2

1

碳钢

4

冷凝水罐

2m3

1

碳钢

5

原料泵

流量:3.2m3/h

扬程:32m

2

304

6

循环泵

流量:12.5m3/h

扬程:32m

2

304

7

冷凝水泵

流量:3.2m3/h

扬程:32m

2

碳钢

8

真空泵

排气量:100m3/h

1

碳钢

 

 

 

 

 

 

 

四、公用工程耗量

项目

规格

用量

单位

循环水

32℃上水38℃回水

168

m3/h

蒸汽

0.1Mpa(饱和)

2.7

m3/h

装机容量

AC380V 50HZ

~15

kW

后附工艺图纸:

设备设计、制造、安装、考核及验收引用的规范和标准(包含但不仅限于下列标准)

GB3095-96                环境空气质量标准

GBJ87-85                  工业企业噪声控制设计规范

GB3838-2002           地表水环境质量标准

GB12348-2008         工业企业厂界环境噪声排放标准

GB18918-2002         城镇污水排放标准

GB150-1998           《钢制压力容器》

《固定式压力容器安全技术监察规程》(2009版)

GB/T 985.1-2008      气焊、焊条电弧焊、气体保护焊和高能束焊的推荐坡口

GB/T 985.2-2008      埋弧焊的推荐坡口

GB/T 985.3-2008      铝及铝合金气体保护焊的推荐坡口

GB/T 985.4-2008      复合钢的推荐坡口

GB/T1804-2000      《一般公差未注公差的线性和角度尺寸的公差》

JBT4707-2000         《等长双头螺柱行业标准》

JB4708-2005           《承压设备焊接工艺评定》

JB/T4709-2007       《钢制压力容器焊接规程》

JB/T 4746-2002      《钢制压力容器用封头》

JB/T4730-2005       《承压设备无损检测》

JB4726-2000           《压力容器用碳素钢和低合金钢锻件》

GB/T196-2003          普通螺纹基本尺寸

GB/T197-2003          普通螺纹公差

GB/T228-2002          金属材料室温拉伸试验方法

GB/T229-2007          金属材料夏比摆锤冲击试验方法

GB232-1999             金属材料弯曲试验方法

GB699-1999             优质碳素结构钢

GB700-2006             碳素结构钢

GB912-2008             碳素结构钢和低合金结构钢热轧薄钢板及钢带

GB1220-2007           不锈钢棒

GB1221-2007           耐热钢棒

GB3077-1999           合金结构钢

GB3274-2007            碳素结构钢和低合金结构钢热轧厚钢板和钢带

GB/T3280-2007        不锈钢冷轧钢板和钢带

GB5310-2008            高压锅炉用无缝钢管

GB 713-2008              锅炉压力容器用钢板

GB/T 8163-2008        输送流体用无缝钢管

GB9948-2006            石油裂化用无缝钢管

JB/T 4700-2000         压力容器法兰分类与技术条件

JB/T 4701-2000         甲型平焊法兰

JB/T 4702-2000          乙型平焊法兰

JB/T 4703-2000          长颈对焊法兰

JB/T 4704-2000          非金属软垫片

JB/T 4705-2000          缠绕垫片

JB/T 4706-2000          金属包垫片

JB/T 4707-2000          等长双头螺柱

JB 4708-2000              钢制压力容器焊接工艺评定

JB/T 4709-2000          钢制压力容器焊接规程

JB/T 4710-2005          钢制塔式容器

JB/T4736-2002           补强圈钢制压力容器用封头

JB/T4746-2002           钢制压力容器用封头

JB/T4747-2002            压力容器用钢焊条订货技术条件

JB/T4711-2003            压力容器涂敷与运输包装

GB 755-2008                旋转电机定额和性能

GB 4208-2008              外壳防护等级(IP代码)

GB/T 8923.2-2008       涂覆涂料前钢材表面处理表面清洁度的目视评定第2部分: 已涂覆过的钢材表面局部清除原有涂层后的处理等级

GB/T 8923.3-2009       涂覆涂料前钢材表面处理表面清洁度的目视评定第3部分:焊缝、边缘和其他区域的表面缺陷的处理等级

GB/T 13384-2008        机电产品包装通用技术条件

GB 12463-1990            危险货物运输包装通用技术条件

GB/T 13306-91           《产品标牌》

GB50316-2000           《工业金属管道设计规范》

GB50231-98            《机械设备安装工程施工及验收通用规范》

GB50236-98            《现场设备、工业管道焊接工程施工及验收规范》

国家及有关部门规定的强制执行标准

上述有关标准若有新标准,均应采用最新标准。

五、质量保证

1、卖方应严格按照技术协议、图纸及相关行业标准制作安装,确保工程质量。

2、卖方在原材料、配套设备的选定应按照合同要求执行,合同以外的应经买方确认。

3、设备运达现场后,买卖双方一起根据运输单和装货清单进行清点验收。如有损坏、缺陷、短少或不符合技术要求和规范时,卖方应及时给予修理或退换,直至达到技术要求和规范。

4、质量保证期自本项目货物所有权转移之日起开始计算,质量保证期限为1年,其中关键部件具体的延伸担保期限由卖方提出。在保证期内如有质量问题,卖方在接到用户通知后1小时内给予答复,如需现场服务,则于24小时内到达现场。

5、在规定的质保期内,卖方对由于设计、工艺或材料的缺陷而造成的任何质量问题负责,并对产品进行免费维修或更换。

6、质保期满后,卖方免费提供技术支持。

7、为保证按合同中规定的技术要求和有关标准进行制造,卖方应根据合同要求制定相应的生产计划。在设计及制造过程中保证及时接受买方咨询和对设计制造过程的监督、检查。


开户行:中国工商银行股份有限公司北京地坛支行
帐户名:北京爱欧德仪器设备有限公司
帐 号: 0200245509020159078


开户行 :中国工商银行股份有限公司北京地坛支行
帐户名 :
北京爱欧德科技有限公司
 号 :0200245509020158974



一、服务承诺:

        1.我公司组建了一批强硬的维修服务队,有经验丰富的工程师和高级技师,对出现的问题都能在最短的时间内进行检测与解决。

       2.七天内有质量问题无条件调换产品(人为原因除外)。

       3.对我公司所销售出的产品,免费质保一年。

4.保质期内有关于产品质量引发的费用,由我公司承担。

5.保质期内由于贵方的使用不当,或者是自然环境造成的我方免费提供维修,维修所用的材料和配件均只收成本价。

        二、运输方式:

               1.所订购产品由我公司以快递形式交付到需方指定地点,包装费、运费有我公司支付。

               2.货到之后,当场验货,如有损坏,由我公司负责。







北京爱欧德仪器设备有限公司  版权所有 Copyright ©2015 

话: 18612337338    18301074632  18610884038  13911269019   010-69736219微信同步

QQ:2023366549   QQ:3468983094   QQ:3423340434 QQ:2176518131  QQ:3098483383                          售后QQ:2383487945
公司地址:北京市朝阳区东土城路5号
点击这里给我发消息
点击这里给我发消息

咨询热线

全国:18301074632

手机:18612337338

手机:13911269019


X